Spannhülsenlagerung für LNS Mini-Sprint S2
Technische Infos
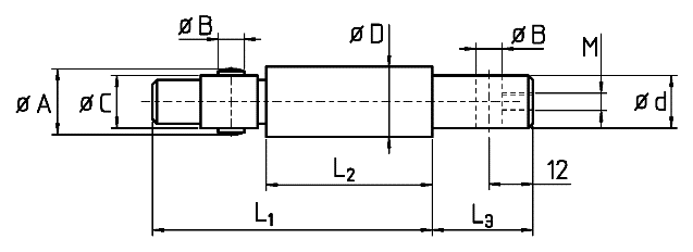
| Nr. | Bezeichnung | ød (mm) | ØD (mm) | A (mm) | øB (mm) | øC (mm) | L1 (mm) | L3 (mm) | M |
|---|---|---|---|---|---|---|---|---|---|
| 1 | Spannhülsenlagerung LNS SPHL10 LNS | 8,00 | 10,00 | 10,00 | 4,00 | 7,00 | 65,00 | 30,00 | M4 |
| 2 | Spannhülsenlagerung LNS SPHL12 LNS | 8,00 | 12,00 | 12,00 | 4,00 | 8,00 | 65,00 | 30,00 | - |
| 3 | Spannhülsenlagerung LNS SPHL15 LNS | 12,00 | 15,00 | 15,00 | 6,00 | 11,00 | 66,00 | 30,00 | M5 |
| 4 | Spannhülsenlagerung LNS SPHL18 LNS | 12,00 | 18,00 | 18,00 | 6,00 | 11,00 | 66,00 | 30,00 | - |
| 5 | Spannhülsenlagerung LNS SPHL20 LNS | 17,00 | 20,00 | 20,00 | 8,00 | 14,00 | 81,00 | 30,00 | M8 |
| 6 | Spannhülsenlagerung LNS SPHL25 LNS | 20,00 | 25,00 | 25,00 | 8,00 | 20,00 | 85,50 | 30,00 | M8 |
| 7 | Spannhülsenlagerung LNS SPHL36 LNS | 30,00 | 36,00 | 36,00 | 8,00 | 20,00 | 158,00 | 40,00 | - |
| 8 | Spannhülsenlagerung LNS SPHL50 LNS | 42,00 | 50,00 | - | - | 20,00 | 158,00 | 50,00 | - |

