Halter für Rückseitenbearbeitung auf CNC-Langdrehmaschinen
Technische Infos
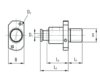
| Nr. | Bezeichnung | ø S (mm) | ø D 1 (mm) | ø D 2 (mm) | L 1 (mm) | L 2 (mm) | L 3 (mm) | B (mm) | Maschine |
|---|---|---|---|---|---|---|---|---|---|
| 1 | Halter für Rückseitenbearbeitung MTHB 16065/4 | 16,00 | 4,00 | 31,00 | 21,00 | 26,00 | 42,00 | 24,00 | Star |
| 2 | Halter für Rückseitenbearbeitung MTHB 16074/4 | 16,00 | 4,00 | 32,00 | 21,00 | 38,00 | 54,00 | 17,00 | Star SR10 J |
| 3 | Halter für Rückseitenbearbeitung MTHB 20061/4 | 20,00 | 4,00 | 35,00 | 26,50 | 26,00 | 49,00 | 37,50 | Tornos Swiss GT26 |
| 4 | Halter für Rückseitenbearbeitung MTHB 20061/6 | 20,00 | 6,00 | 35,00 | 26,50 | 26,00 | 49,00 | 37,50 | Tornos Swiss GT26 |
| 5 | Halter für Rückseitenbearbeitung MTHB 22078/4 | 22,00 | 4,00 | 40,00 | 25,00 | 38,00 | 58,00 | 28,00 | Star |
| 6 | Halter für Rückseitenbearbeitung MTHB 22078/6 | 22,00 | 6,00 | 40,00 | 25,00 | 38,00 | 58,00 | 28,00 | Star |
| 7 | Halter für Rückseitenbearbeitung MTHB 22079/4 | 22,00 | 4,00 | 39,00 | 25,00 | 40,00 | 62,00 | 32,50 | Star SW 20/SR 20 IV |
| 8 | Halter für Rückseitenbearbeitung MTHB 22079/6 | 22,00 | 6,00 | 39,00 | 25,00 | 40,00 | 62,00 | 32,50 | Star SW 20/SR 20 IV |
| 9 | Halter für Rückseitenbearbeitung MTHB 22080/4 | 22,00 | 4,00 | 38,00 | 30,00 | 34,00 | 56,00 | 38,00 | Star SR 32 |
| 10 | Halter für Rückseitenbearbeitung MTHB 22080/6 | 22,00 | 6,00 | 38,00 | 30,00 | 34,00 | 56,00 | 38,00 | Star SR 32 |
| 11 | Halter für Rückseitenbearbeitung MTHB 25062/4 | 25,00 | 4,00 | 38,10 | 25,00 | 38,00 | 83,00 | 28,00 | Citizen L20 |
| 12 | Halter für Rückseitenbearbeitung MTHB 25062/6 | 25,00 | 6,00 | 38,10 | 25,00 | 38,00 | 83,00 | 28,00 | Citizen L20 |
| 13 | Halter für Rückseitenbearbeitung MTHB 28057/4 | 28,00 | 4,00 | 38,10 | 30,00 | 35,00 | 59,00 | 35,00 | Tornos CT20 |
| 14 | Halter für Rückseitenbearbeitung MTHB 28057/6 | 28,00 | 6,00 | 38,10 | 39,00 | 23,00 | 47,00 | 35,00 | Tornos CT20 |
| 15 | Halter für Rückseitenbearbeitung MTHB 32081/4 | 32,00 | 4,00 | 40,00 | 25,00 | 39,00 | 59,00 | 39,00 | Hanwha |
| 16 | Halter für Rückseitenbearbeitung MTHB 32081/6 | 32,00 | 6,00 | 40,00 | 25,00 | 39,00 | 59,00 | 39,00 | Hanwha |
| 17 | Halter für Rückseitenbearbeitung MTHB 32093/4 | 32,00 | 4,00 | 52,00 | 30,00 | 46,00 | 64,00 | 41,00 | Goodway |
| 18 | Halter für Rückseitenbearbeitung MTHB 32093/6 | 32,00 | 6,00 | 52,00 | 30,00 | 46,00 | 64,00 | 41,00 | Goodway |
| 19 | Halter für Rückseitenbearbeitung MTHB 32091/4 | 32,00 | 4,00 | 40,00 | 37,00 | 39,00 | 59,00 | 36,00 | Hanwha |
| 20 | Halter für Rückseitenbearbeitung MTHB 32091/6 | 32,00 | 6,00 | 40,00 | 37,00 | 39,00 | 59,00 | 36,00 | Hanwha |
| 21 | Halter für Rückseitenbearbeitung MTHB 34081/4 | 34,00 | 4,00 | 42,00 | 25,00 | 39,00 | 59,00 | 38,00 | Hanwha |
| 22 | Halter für Rückseitenbearbeitung MTHB 34081/6 | 34,00 | 6,00 | 42,00 | 25,00 | 39,00 | 59,00 | 38,00 | Hanwha |

